Topmerkkwaliteit & enorme keuze
Persoonlijk deskundig advies
Veilige betalingsmethoden
BE
Select region & language | Choisir la région et la langue | Seleccionar región e idioma
#global.skipToContent# #global.skipToSearch# #global.skipToNav#

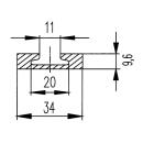
Airline sjorrail aluminium L 2998 mm ongeboord, B 34 mm, H 9,6 mm

Airline sjorrails Alu L 2998 mm

Type 
178,00 €
incl. 21% Omzetbelasting , Plus Verzending